MegaBox LV Energy Box 7,04 kWh

Úložiště el. energie, 12V, 550Ah, 7.04 kWh, LiFePO4, BMS, Bluetooth
(Kód:BATELX0113)

Dostupnost na skladech:
Praha10 Brno Externí sklad
Obvyklá dostupnost cca 2 týdny
Vaše cena bez DPH 40 170 Kč
Cena se zárukou 36 měsíců 42 981 Kč
Cena se zárukou 60 měsíců 43 785 Kč
Poplatky
Vaše cena s poplatky 40 170 Kč
Sazba DPH 21%
Vaše cena s DPH 48 605 Kč
Omezení transportu
Zboží s velkou hmotností, nadrozměrné či v režimu ADR je dostupné pouze prostřednictvím specifické přepravy.
Vložte do košíku pro cenu dopravy
Kód BATELX0113
PN MB12550
EAN
Záruka 24 měs.
Podpora bat@100mega.cz
Značka 100MEGA ENERGY
100MEGA Distribution s.r.o.
Železná 7, 619 00 Brno, Česká Republika
info@100mega.cz
www.100mega.cz
Podrobnosti produktu

MegaBox LV Energy Box 7,04 kWh (12 V | 550 Ah)

  • Konstrukčně jednoduché a flexibilní úložiště elektrické energie sestavené z bateriových článků zapojených do série s celkovou nominální kapacitou 7,04 kW a standardizovaných mechanických a elektrotechnických prvků. Zákazník získává řešení s nadstandardní životností, užitností a budoucí variabilitou.
  • Bateriové úložiště obsahuje nejbezpečnější dostupnou technologii lithiových baterií a nejlepší poměr cena/výkon použitých LiFePO4 článků v bezpečném nízkonapěťovém modulu 12 V. Modul je sestavený ze 4 ks článků, každý s napětím 3,2 V (550 Ah). Díky důslednému výběru článků a BMS je vždy k dispozici maximální výkon a kapacita. Komunikace s bateriovým úložištěm je zajištěna prostřednictvím mobilního telefonu s Bluetooth připojením.
  • Modul je tvořen robustní a zároveň lehkou konstrukcí z tvrzeného hliníku, kterou lze velmi snadno sestavit. Je tak zajištěna mechanická ochrana a tvarová stálost článků díky kompresi. Součástí modulu je montážní platforma pro elektrické prvky.
  • Moduly je možné snadno fixovat na pohyblivou platformu nebo umístit do stacionární instalace s minimálním nárokem na prostor, a to i díky stohovatelnosti. Možné je také umístění vedle sebe nebo rozptýlené rozmístění a propojení do jednoho systému.
  • Díky standardizaci, dostupnosti a zaměnitelnosti všech dílů modulu je zajištěn spolehlivý záruční i pozáruční servis.
Parametr Hodnota Poznámka
Nominální napětí 12,8 V
Nominální kapacita 550 Ah / 7,04 kWh
Max. trvalý nabíjecí proud 250 A doporučeno max. 165 A
Max. trvalý vybíjecí proud 250 A doporučeno max. 165 A
Špičkový vybíjecí proud 500 A 30 s
Provozní teplota boxu +5 až +40 °C
Cyklická životnost 6000 60% DOD při 0.3C/0.3C (+25 °C), > 60% SOH (State of Health)
Vypnutí nabíjení 3,70 V dosažení této hodnoty na kterémkoliv článku baterie
Opětovné zapnutí nabíjení 3,50 V pokles na článku, který překročil 3,70V
Vypnutí vybíjení 2,70 V pokles kteréhokoliv článku baterie na tuto hodnotu
Opětovné zapnutí vybíjení 3,00 V pro článek při poklesu napětí na 2,70 V
Nadproud vypnutí 300 A pro nabíjení i vybíjení (zpoždění BMS 120 s), zpoždění jističe dle způsobu přetížení
Max. teplota - vypnutí nabíjení / vybíjení +70 °C / +70 °C opětovné zapnutí +60 °C / +60 °C
Min. teplota – vypnutí nabíjení 0 °C opětovné zapnutí na +5 °C
Vlastní spotřeba BMS v provozním stavu < 10 mA
Vlastní spotřeba BMS ve vypnutém stavu < 0,1 mA
Vypnutí BMS z důvodu podpětí 10,00 V
Balancovací proud 2 A aktivní balancer
Hlavní jistič 250 A vypínací charakteristika C
Rozměry sestaveného modulu d / š / v 675 × 185 × 355 mm výška vč. spodních a vrchních kloboukových matic M10
Hmotnost samostatného Al boxu 7,7 kg vč. montážní platformy pro el. instalaci
Celková hmotnost modulu 54 kg vč. el. výbavy
Výška prostoru nad terminály článků 30 mm orientační hodnota (závisí na typu článku)
Prostor pro el. komponenty na el. platformě d / š / v 670 × 185 × 60 mm

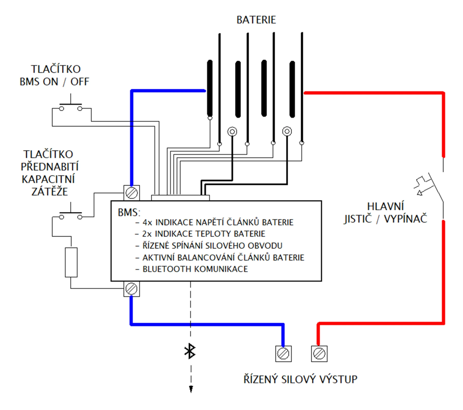
Elektrické schéma – modul 12 V (550 Ah)

schéma a cz popisky

Poznámka:
Vestavěnou BMS nelze přenastavit, lze pouze sledovat stav baterie!

BMS s balancérem je nastavená na konkrétní parametry bateriového úložiště. Jakýkoliv neodborný zásah nebo změna nastavených parametrů má za následek ztrátu záruky.

Účel použití:

  • Pro karavany, lodě, chaty, rezidenční a jiné projekty.
  • Pro snadnou náhradu původních baterií na konci životnosti v různých systémech.
  • Pro zákazníky, kteří požadují uživatelské úpravy i Plug and Play řešení.
  • Pro optimální řešení s využitím modularity.

Obsah balení:
Kompletně sestavené, odzkoušené bateriové úložiště připravené k okamžitému použití.

Parametry
Značka
Upřesnění typu: Baterie
Výrobce: 100MEGA ENERGY
Napájení
Jmenovité napětí (V): 12
Max. nabíjecí proud (A): 250
Max. výstupní proud (A): 250
Napětí baterie/článku (V): 3.2
Optimální nabíjecí proud (A): 165
Optimální vybíjecí proud (A): 165
Baterie
Kapacita baterie (Ah): 550
Kapacita baterie (Wh): 7040
Technologie baterie: LiFePO4
Záruka
Délka záruky (měsíce): 24
Délka záruky IČO (měsíce): 24
Fyzické vlastnosti
Hloubka (mm): 675
Hmotnost (kg): 54
Rozměry: 675 × 185 × 355 mm
Šířka (mm): 185
Výška (mm): 355

Dokumenty a přílohy k produktu MegaBox LV Energy Box 7,04 kWh

Vývoj ceny produktu

Logistické parametry

  • Hmotnost: 54 kg
  • Šířka: 67.5 cm
  • Výška: 35.5 cm
  • Hloubka: 18.5 cm
  • Objem: 44330.6 cm3
  • Počet: 1 ks
Odhlásit se?

Jste si jisti?

Nebudete moci objednávat zboží ani neuvidíte vaše ceny.

ODSTÁVKA SYSTÉMŮ! Vážení zákazníci, dne 17.11.2020 v čase od 0:00 do 02:00 bude náš eshop odstaven z důvodu plánované údržby.